產品中心
1. 裝置概述
HH-YUBJ系列語言報警裝置是以單片機為控制核心的故障信號語言報警裝置,大屏幕漢字顯示和語言報警,不僅可以代替光字牌顯示故障內容, 還可以用語言廣播出來,并自動存儲以供查詢。
裝置適用于任何行業的各種不同類型的變電、配電站,當所監測的設備出現故障時,能按事先約定的故障信息內容迅速顯示并同時用語言報出,確為取代信號屏的理想產品。
2. 裝置特點
2.1 適用范圍廣泛,無需整定和調試,不用維護,讓用戶更省心省力省錢;
2.2 直觀明了清晰, 使用戶及時了解,及時匯報,及時處理;
2.3 可存儲20次故障信息供用戶查詢;
2.4 配置串行通訊接口(RS232或RS485),以便和各種自動化設備連接。
3. 主要技術參數:
3.1 工作電源:AC 110V~250V,50-60HZ, DC110-250V(不分極性)均可;
3.2 報警路數:1--128路由用戶任意選擇。
3.3 音頻功率:100W
3.4 外型尺寸(mm): 440×177×320(寬×高×深)
3.5 開孔尺寸(mm): 445×180 (寬×高)
3.6 環境溫度:-10℃~40℃ (特殊要求可做到-40℃~70℃ )
3.7 環境濕度:≤90%RH
3.8 巡回檢測報警反應靈敏度:≤0.5S
3.9 音頻遠傳距離:≤3km
圖一 前面板示意圖

4. 使用說明
4.1 顯示部分:開機即進入運行,先顯示“歡迎使用保定市華航電氣有限公司產品”后液晶顯示屏顯示的內容為:年、月、日、時、分、秒和星期(如左下圖所示),發生故障時顯示為具體的故障信息內容和故障發生時間;(如右下圖所示)

4.2 鍵盤部分: 面對裝置前面板的右下角由左至右分別為 “追憶”鍵、“加一”鍵、“減一”鍵、 “校時”鍵、“復位”鍵;
4.2.1 追憶鍵:按“追憶”鍵可查看最近存儲的20次故障信息(如下圖):

4.2.2 加一鍵:用于校時的相加調整;
4.2.3 減一鍵:用于校時的相減調整;
4.2.4 校時鍵:當需要調整年、月、日、星期和時間時可按“校時”鍵,使需要調整的數據閃動,然后再按“加一”鍵或“減一”鍵即可。依次對需要調整的對象繼續按“校時”鍵調整后,使所有數據正確顯示為止;
4.2.5 復位鍵:當裝置運行發生異常時,可按“復位”鍵讓裝置恢復正常。
4.3 語言報警部分: 本裝置內設一個揚聲器,也可以外接一個****音箱{此音箱主要由公司配套也可以由用戶自行配置}。外接音箱可與裝置放在一起, 也可通過連接線放在3公里以內的任意一個有人值班的地方。當監測的設備有故障發生時揚聲器和音箱將一起報出故障內容,同時在裝置上正確顯示故障信息;如有多個故障發生,幾個繼電器接點同時閉合時本裝置將循環廣播和顯示所有故障信息,直至故障消失。
在裝置的前面板上有一語言報警開關,當不需要語言廣播時可將語言報警開關關閉,此時所有故障信息只在屏幕上顯示。
4.4 通訊部分:本裝置備有RS232 RS422 RS485 通訊接口,如使用串行口RS485請在RS422通信中連接RXD+和RXD- 即可;
5. 安裝說明
本裝置可置于屏上或平臺上,屏上開口尺寸見下圖, 在距屏面250mm處應加一托梁。
5.1 開口尺寸mm:445×180 (寬×高)
圖二 裝置外形尺寸圖

6. 訂貨須知
6.1 裝置型號請參閱下圖說明,如加通訊請注明;
6.2 裝置分為:16路、32路、48路、64路、80路、96路、112路、128路,用戶可根據需要自行配置;
6.3 本裝置報警內容,需要在發貨前錄制完成, 用戶在訂貨時應將報警內容提前落實并通知我司;如不能按期通知,我司發貨時將按自然號報警;
6.4 如需要串行口請提前說明通訊方式(RS232或RS485)及規約,不能說明一律采用我司的通訊規約;
6.5 如您有其它要求請提前與本公司聯系,我們將竭力為您服務并盡量滿足您的要求;同時我們更希望得到您的真誠建議。
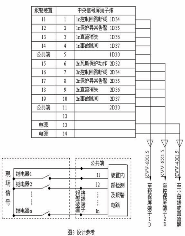
7、設計說明 (下圖為設計舉例僅供參考)
現場給裝置提供的故障信號是繼電器的一對常開(一定要無源)接點,當有故障信號需報警時,現場繼電器接點閉合接通裝置內的電路,裝置便開始報警。
裝置對現場繼電器的要求是: 每條故障信息提供一個(能可靠吸合, 對容量不做要求的)繼電器并使每一個繼電器的接點一端相連組成一根公用線接在裝置的公共端上,另外一端應按報警順序依次與裝置后面信號輸入端子一對應。


