產品中心
概述
電流互感器(以下簡稱CT)在電力系統中,CT是將大電流變成規定的小電流,廣泛應用于一次測量、保護與控制。它是電流表、電度表和電流控制系統必不可少的配套元件。CT正常工作時,互感器二次側處于近似短路狀態,輸出電壓很低。在運行中如果二次繞組開路,或一次繞組流過異常電流(如雷電流、諧振過電流,電容充電電流、電感啟動電流等),都會在二次側產生數千伏甚至上萬伏的過電壓。這不僅給二次絕緣造成危害,還會給使互感器過激而燒毀,甚至危及工作人員的生命安全。
型號說明
CTB - 通道數 - 電源 - 復位方式
▼ ▼ ▼ ▼
CT過電壓保護器 通道數: 1 2 3 4 6 9 AC:220V(-20%~+10%)
DC:110~265V A:自動復位
主要功能
CTB保護器主要用于應用于各種CT二次側的差動繞組、過流繞組、測量繞組、母線保護繞組、備用繞組等的異常過電壓保護。
保護器按裝于二次繞組兩端(線路并聯,對保護、檢測、測量、顯示繞組無影響),正常運行時漏電流極小,成高阻狀態。當發生異常過電壓時,保護器瞬間動作限壓、延時短路并發出無源接點信號,面板上顯示故障的部位。當故障排除后,電路恢復正常狀態。
使用條件

技術參數

工作原理
本公司推出新款帶CPU智能型CTB保護器,保護器的基本元件是采用非線性壓敏器件+半永久性可控硅器件,新型特種ZnO壓敏電阻作為基本限壓元件,可控硅器件它除了具有永不磨損的軟開關性質,還兼備保護動作快速的特性,配之以合理的內部控制電路來進行,它并聯于CT 二次被保護繞組兩端,正常運行時可控硅兩端的電壓為該二次的負載阻抗和電流之積(Z2×I2),通常此值小于20V。此時可控硅處于近似斷路的高阻狀態,通過它的電流稱為泄漏電流,小于10微安,對該回路保護動作值和表計****度的影響可以忽略不計。 當二次回路開路或一次繞組出現異常過流時,在二次繞組中產生的電壓遠遠高于正常運行電壓(數值取決于CT 本身參數和運行工況),此時并接的可控硅瞬間進入導通狀態,從而****避免了互感器二次過電壓對表計的危害。
CTB保護器能在過壓產生的10nS 內將二次繞組電壓限制在保護電壓(見訂貨須知)以內,二次繞組持續過壓,CTB保護器在2mS內可靠地將二次繞組短接并發光顯示(見面板說明),能提供閉鎖差動保護的接點。面板上指示燈指示故障繞組,并通過繼電器接點輸出報警信號。檢修人員根據指示燈指示的故障繞組檢查相應的二次回路,故障排除后按復位按鈕,故障保護燈熄滅,裝置重新進入正常工作狀態。若按復位按鈕后,指示燈仍亮,表明故障未排除,需繼續查找,直至故障排除。故障排除后,將其復位即可再次使用,動作壽命可達上十萬次以上,避免了動作后更換保護器的麻煩,運行更加方便。
注:自動故障復位型CTB保護器,在線路故障解除后,將自行解除對二次繞組保護(短路),
面板簡介


使用說明
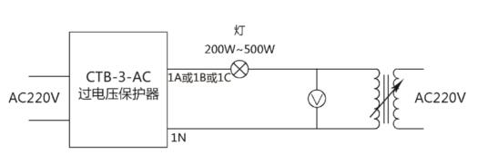
電流互感器過電壓保護器的接線方式如下圖所示(以三路三個繞組保護產品為例),L和N是電源輸入端,請接入AC220V工作電源,當電源輸入正確時,工作指示燈每秒閃爍1次,保護器提供了一組無源常開輸出接點J1與J2,一般情況下,電流互感器均連接在A、B、C三相上,少數連接在兩相上,個別連接在一相上,絕大多數都是星型連接。工程接線圖如下

1通道端子 2通道端子圖 3通道端子圖
4通道端子 6通道端子圖 9通道端子圖
測試方法
萬用表電阻檢測方法:
CTB保護器上電前用萬用表的電阻檔分別測量各路A1端、B1端、C1端 與相應的1N端之間的電阻值(應大于20兆歐姆),繼電器報警輸出接點J1、J2應大于幾十兆歐姆。 按住CTB面板“復位”鍵并同時上電,CTB進入測試模式,A1通道、B1通道、C1通道保護動作,用模擬萬用表的電阻檔(****電阻檔)或數字萬用表的電阻檔(20M電阻檔)分別測量各路A1端、B1端、C1端 與相應的1N端之間的電阻值應小于50千歐姆,J1、J2應小于1歐姆;每個通道指示燈常亮,工作燈每隔一秒閃爍一次,故障燈不亮。
上電模擬檢測:
將單相調壓器調到0V位置,輸出端接到某繞組與相應的N端(如1A與1N),接通保護器的AC220V電源,此時,面板上的工作指示燈(綠色)每隔一秒閃爍一次,而其它的指示燈均應不亮,這表示各路保護電路均處于正常的復位狀態。假如有通道紅色指示燈亮,說明相應部分保護狀態未正常復位,需要按復位按鈕予以復位。
之后,檢測動作電壓是否正常,方法是:緩慢地調節調壓器,使調壓器輸出電壓逐漸升高,當燈泡亮時,此刻調壓器輸出電壓數值即為保護動作啟動電壓(同時面板上相應回路的報警燈亮)。之后降低調壓器的輸出電壓,燈泡熄滅,這說明自動復位功能正常。 依此方法分別檢測所有各路繞組,如果均符合技術指標,則檢測合格。

安裝方式
電流互感器過電壓保護器共有兩種安裝方式:

服務指南與訂貨須知
服務宗旨
客戶滿意,是我們的責任;持續改進,是我們的義務。
具體事宜 從購買之日起一年內免費維修!
一年后出現故障,根據設備安裝地點及合同簽訂情況協商解決;
注:由于技術不斷更新,產品規格和配置如有變化,請以實際供貨說明書為準
