• <li id="mm0mm"></li>
    <tt id="mm0mm"><rt id="mm0mm"></rt></tt>
    <tt id="mm0mm"><rt id="mm0mm"></rt></tt>
    <tt id="mm0mm"><table id="mm0mm"></table></tt>
  • <li id="mm0mm"></li>
    <li id="mm0mm"><tt id="mm0mm"></tt></li>
  • <tt id="mm0mm"><rt id="mm0mm"></rt></tt>
  • <tt id="mm0mm"><table id="mm0mm"></table></tt>
  • <li id="mm0mm"><tt id="mm0mm"></tt></li>
  • 所在位置:首頁 > 產品中心

    產品中心

    10KV電流互感器
    10KV電流互感器

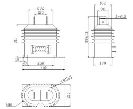
      LZZBJ9-10戶內型全封閉電流互感器
      一、特點
      

      LZZBJ9-10型電流互感器為環氧樹脂緣、戶內型、全封閉、支柱式結構的電流互感器,適用于額定電壓10KV、額定頻率50Hz的交流電力系統中作電流、電能測量及繼電保護用。
      二、使用條件
      產品性能符合IEC標準和GB1208-2006《電流互感器》。
      1.額定絕緣水平:  12/42/75kV
      2.負荷功率因數:  cosφ=0.8
      3.額 定 頻 率:   50Hz
      4.額定二次電流 : 5A或1A
      5.局部放電水平: 符合GB5583-85標準,其局部放電不大于50PC
      三、安裝須知
      1. 在安裝時二次繞組不能開路,當一次通過電流時,二次繞組磁通增大,會產生很高的電壓,破壞絕緣和對設備人身造成危險。
      2. 把母排接在電流互感器的一次接線銅板上,二次電流從1S1 1S2或是2S1 2S2輸出。
      3. 安裝地板上有四個安裝孔直接固定在鐵板上,把地線直接從安裝地底上引出。
      四、技術參數表

      五、外形尺寸圖
     

      LZW-10戶外型全封閉電流互感器
      一、特點

      LZW-10型電流互感器為環氧樹脂緣、戶外型、全封閉、支柱式結構的電流互感器,適用于額定電壓10KV、額定頻率50Hz的交流電力系統中作電流、電能測量及繼電保護用。
      二、使用條件
      產品性能符合IEC標準和GB1208-2006《電流互感器》
      1.額定絕緣水平: 12/42/75kV
      2.負荷功率因數: cosφ=0.8
      3.額定頻率: 50Hz
      4.額定二次電流 :5A或1A
      5.局部放電水平: 符合GB5583-85標準,其局部放電不大于50PC
      三、安裝須知
      1. 在安裝時二次繞組不能開路,當一次通過電流時,二次繞組磁通增大,會產生很高的電壓,破壞絕緣和對設備人身造成危險。
      2.把母排接在電流互感器的一次接線銅板上,二次電流從1S1 1S2或是2S1 2S2輸出。
      3.安裝地板上有四個安裝孔直接固定在鐵板上,把地線直接從安裝地板上引出。
      四、技術參數表

      五、外形尺寸圖

      LZJC(D)-10戶內型全封閉電流互感器
      一、特點

      LZJC(D)-10型電流互感器為環氧樹脂緣、戶內型、全封閉、支柱式結構的電流互感器,適用于額定電壓10KV、額定頻率50Hz的交流電力系統中作電流、電能測量及繼電保護用。
      二、使用條件
      產品性能符合IEC標準和GB1208-2006《電流互感器》
      1.額定絕緣水平:  12/42/75kV
      2.負荷功率因數:  cosφ=0.8
      3.額 定 頻 率:   50Hz
      4.額定二次電流:  5A或1A
      5.局部放電水平:  符合GB5583-85標準,其局部放電不大于50PC
      三、安裝須知
      1. 在安裝時二次繞組不能開路,當一次通過電流時,二次繞組磁通增大,會產生很高的電壓,破壞絕緣和對設備人身造成危險。
      2.把母排接在電流互感器的一次接線銅板上,二次電流從1S1 1S2或是2S1 2S2輸出。
      3.安裝地板上有四個安裝孔直接固定在鐵板上,把地線直接從安裝地板上引出。
      四、技術參數表

      五、外形尺寸圖

      LZZBJ9-35戶內全封閉電流互感器
      一、特點

      LZZBJ9--35型電流互感器為環氧樹脂緣、戶內型、全封閉、支柱式結構的電流互感器,適用于額定電壓35KV、額定頻率50Hz的交流電力系統中作電流、電能測量及繼電保護用。
      二、使用條件
      產品性能符合IEC標準和GB1208-2006《電流互感器》
      1.額定絕緣水平:  40.5/95/200kV
      2.負荷功率因數:  cosφ=0.8
      3.額 定 頻 率:   50Hz
      4.額定二次電流 : 5A或1A
      5.局部放電水平: 符合GB5583-85標準,其局部放電不大于10PC
      三、安裝須知
      1. 在安裝時二次繞組不能開路,當一次通過電流時,二次繞組磁通增大,會產生很高的電壓,破壞絕緣和對設備人身造成危險。
      2.把母排接在電流互感器的一次接線銅板上,二次電流從1S1 1S2或是2S1 2S2輸出。
      3.安裝地板上有四個安裝孔直接固定在鐵板上,把地線直接從安裝地板上引出。
      四、技術參數表

      五、外形尺寸圖

     

    上一個:電涌保護器
    河北省保定市高開區朝陽北大街1358號
     聯 系 人 張曉梅
     手     機 13931220218
     固定電話 0312-3135768  3137568
     圖文傳真 0312-3288076
    冀ICP備16027567號-2
    97超碰人人舔人人操