• <li id="mm0mm"></li>
    <tt id="mm0mm"><rt id="mm0mm"></rt></tt>
    <tt id="mm0mm"><rt id="mm0mm"></rt></tt>
    <tt id="mm0mm"><table id="mm0mm"></table></tt>
  • <li id="mm0mm"></li>
    <li id="mm0mm"><tt id="mm0mm"></tt></li>
  • <tt id="mm0mm"><rt id="mm0mm"></rt></tt>
  • <tt id="mm0mm"><table id="mm0mm"></table></tt>
  • <li id="mm0mm"><tt id="mm0mm"></tt></li>
  • 所在位置:首頁 > 產品中心

    產品中心

    一次消諧器 (圓形戶內用)
    一次消諧器 (圓形戶內用)

      一、概述
      LXQ系列6~35kV電壓互感器中性點用非線性電阻消諧阻尼器(簡稱一次消諧器),是安裝在6~35kV電壓互感器(以下簡稱壓變或PT)一次繞組Y。接線中性點與地之間的一種非線性電阻消諧阻尼器件。消諧器采用電氣性能****、超細顆粒的SiC為基材,經大噸位的壓機壓制成高密度的長方形或圓餅狀的坯體,在還原氣氛下,經上千度的高溫燒結而成。裸露的電阻器表面結構經特殊處理,能經受日曬雨淋,可直接用于戶內外。它的體積小、重量輕、散熱快、強度高、便于安裝,很受用戶青睞。
      該產品****符合現行電力部標準DL/T620-1997《交流電氣裝置的過電壓保護和絕緣配合》第4.1.5條中的規定,可以起到良好的限制電壓互感器鐵磁諧振的效果。
      二、型號說明
     

      根據系統電壓分類, LXQ系列一次消諧器分為6kV、10kV、20kV、35kV四種;根據設計序號分類,消諧器分為LXQI(方形戶外用)、LXQⅡ和LXQⅢ(圓柱形戶內用), LXQI、LXQⅡ型消諧器分為10kV和35kV兩種,10kV消諧器也可用于6kV系統; LXQⅢ型消諧器分為6kV、10kV、20kV和35kV四種。
      如: LXQ(D)Ⅱ-10 為:6kV 、10kV系統通用弱絕緣圓柱形一次消諧器;LXQ(D)I-10 為:6kV 、10kV系統通用弱絕緣方形一次消諧器。
      注: LXQI-10KV超小的一次消諧器不能做弱絕緣的(即帶D叁數),普通型一次消諧器能做弱絕緣的。
      三、使用條件
      1、LXQI適用于戶外,LXQⅡ、LXQⅢ適用于戶內,環境溫度-60℃~+60℃;
      2、額定頻率:48Hz~62Hz;
      3、海拔高度不大于4000m,地震裂度8度及以下地區;
      4、大氣中無嚴重污穢及浸蝕性介質的場所;
      5、串接于交流6~35kV非有效接地系統PT一次繞阻中性點與地之間, 在一個系統中
      接有多臺電壓互感器時,在每臺互感器的三相高壓繞阻中性點裝一臺消諧器, 才能有效地限制弧光接地過電壓和消除鐵磁諧振。
      四、技術參數
      表1 : LXQI、LXQⅡ型一次消諧器交流電氣參數表

      表2 : LXQⅢ型一次消諧器交流電氣參數表

      五、選型原則
      LXQ系列一次消諧器按照PT所在電網額定電壓可以分為6kV、10kV、20kV、35kV四種。選取消諧器的型號除了與壓變所在電網額定電壓有關,還與壓變高壓繞組X端(尾端)的絕緣等級有關。由于消諧器是串在PT一次繞組中性點與地之間的非線性阻尼電阻,其非線性特征使得消諧器在正常工作電流段具有一定的阻值,從而有效地限制高壓涌流和鐵磁諧振?墒钱旊娋W發生異常的大電流(如雷擊、電網斷線諧振)時,會產生一個比較大的電壓,如果壓變尾端絕緣等級不強(俗稱弱絕緣壓變,其高壓尾端與二次側一同輸出),就有可能損壞壓變X端絕緣。針對這種情況,LXQ系列消諧器因壓變X端絕緣等級不同而分為LXQ型和LXQ(D)型。LXQ(D)型提供一個D參數元件,該元件能有效限制消諧器兩端電壓,使其在弱絕緣壓變的絕緣耐受水平之下,從而有效保護中性點絕緣。
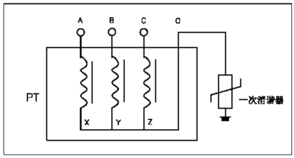
      六、安裝方式
      一次消諧器必須安裝在壓變中性點與地之間,下端固定接地,上端接中性點,如下圖所示。若安裝在壓變柜內,消諧器與周圍接地體的距離建議≥2cm。消諧器上端與壓變中性點采用絕緣導線連接。消協器不分正負極,一般垂直安裝,也可以水平安裝。安裝原理圖如下:

      七、質量保證
      產品出廠后,在用戶****遵守本產品說明書規定的運輸、儲存、安裝和使用要求的情況下,產品在出廠之日起一年內,如發現產品及配件發生非人為損壞,本公司負責免費修理并對售出產品負責終身維修,超過一年期限裝置維修酌情收取適量成本費。
      八、外形尺寸圖(見下頁)

     

    河北省保定市高開區朝陽北大街1358號
     聯 系 人 張曉梅
     手     機 13931220218
     固定電話 0312-3135768  3137568
     圖文傳真 0312-3288076
    冀ICP備16027567號-2
    97超碰人人舔人人操