產品中心
一、適用范圍及用途
電涌保護器(又稱電源防雷器、浪涌保護器、SPD)適用于50/60Hz,220V、380V及690V的TT、IT、TN-S、TN-C、TN-C-S供電系統中。它是由多個單片式標準電源防雷模塊組成,可以自由組合成單相或三相保護,防止由于外界(雷擊、電磁干擾等)或系統內部(系統拉合閘效應、感性及容性負載的啟動和停止等)引起的脈沖浪涌及瞬間過電壓對供電系統設備的損害。電涌保護器廣泛應用于通訊、鐵路、金融、油田、高層建筑、民宅、寫字樓等配電系統中,使這些用電單位的用電器(如電腦、儀器設備等)免受雷擊、暫態過電壓等浪涌過電壓帶來的損害,保證設備及人身安全,是理想的過電壓保護裝置。
二、主要結構及工作原理
在三相四線制系統中,三條相線和一條零線對地線之間均接有保護器。在正常情況下,保護器處于高阻狀態,當電網因雷擊或其他原因造成浪涌過電壓時,保護器將在納秒級時間內迅速導通,將浪涌過電壓引入大地,從而保護了電網上的用電設備。當浪涌過電壓通過保護器且消失后,保護器又重新恢復到高阻狀態,從而不影響電網的正常運行。
三、產品特點
1、標準模塊化設計,標準35mm導軌安裝,使用方便;
2、插拔式設計,更換方便;
3、核心器件采用高質量壓敏電阻(MOV),通流容量大,輸出殘壓低,響應速度快;
4、脫扣裝置隔倉式設計,確保保護器因過熱過流擊穿失效時,自動脫離電網;
5、外殼采用高阻燃性材料,符合電氣安全要求;
6、可附加聲光報警遙信模塊。
四、工作條件
1、海拔高度不超過3000米;
2、環境溫度:-40℃~70℃;
3、相對濕度:<90%;
4、與垂直面的傾斜度不超過5°;
5、無顯著搖動和沖擊振動的地方;
6、無爆炸危險的介質中,且介質中無足以腐蝕金屬和破壞絕緣的氣體與塵埃(包括導電塵埃)。
五、型號說明

六、常用型號的適用范圍和技術參數
1、A級電涌保護器
適用范圍:A級電涌保護器安裝在總配電柜或低壓主柜內,為戶內低壓用電設備提供雷電及電涌保護。

2、B級電涌保護器
適用范圍:B級電涌保護器安裝在樓宇或車間二次配電柜或動力柜內。

3、C級保護電涌保護器
適用范圍:C級電涌保護器安裝在終端配電柜或控制柜內。

4、D級保護電涌保護器
適用范圍:D級電涌保護器安裝在機房配電箱和需要特殊保護的電子信息設備端口處。

七、選型建議

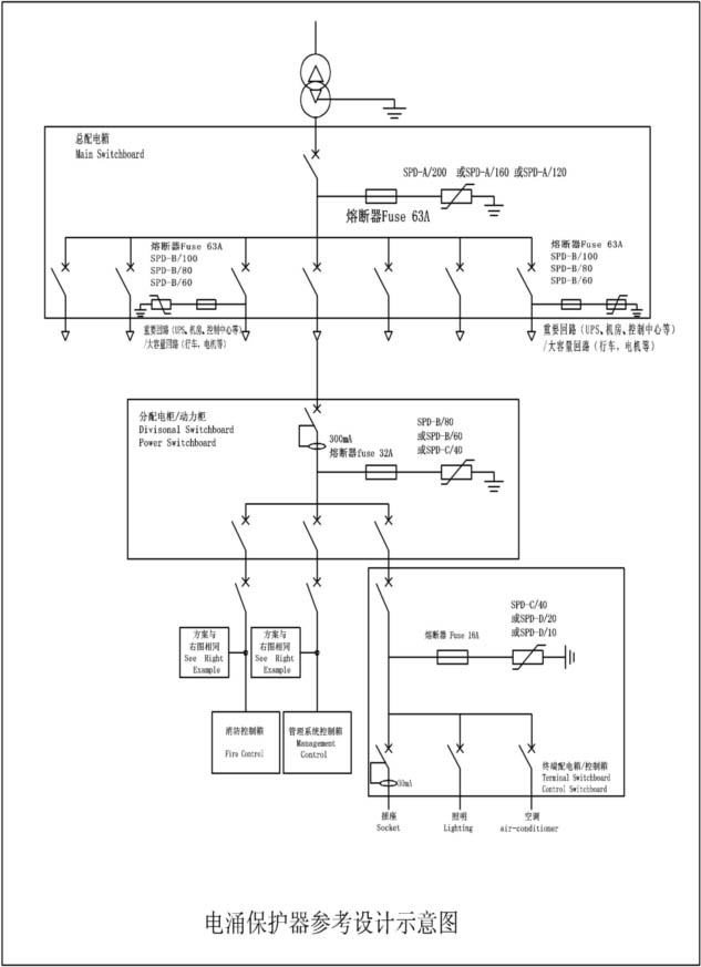
八、參考設計示意圖(如下)

九、注意事項:
1、電涌保護器采用標準的35mm軌道安裝,只要安裝得當即可自動對電網進行保護;
2、安裝應由熟練的電氣人員進行,安裝前應檢查電涌保護器模塊單元上標定的Uc值是否與實際系統電壓相配對、外觀是否損壞、模塊的指示窗口是否為紅色。如有以上三種情況中任意一種出現,應立即更換新的模塊。另外,在更換模塊時,發現插拔力非常輕或基座有明顯的發黑現象的時候,就應更換新的基座;
3、接地線截面積不應小于6.0mm²;相線截面積不應小于4.0mm²;遠程遙信導線截面積****1.5mm²。為了防止電涌保護器失效后影響電網正常運行,在火線支路上每個電涌保護器的前端必須串聯熔斷器或斷路器等保護裝置,匹配的參數如下表所示:

4、電涌保護器的連接線長度應小于0.5m,否則過長的連接線會產生額外的電壓降,仍然有可能使設備損壞。如果由于現場情況,電涌保護器的連接線長度不可能小于0.5m,則輸入線應采用V型連接方式(輸入線和輸出線的距離盡可能分開布置,如下圖所示)。
5、電涌保護器需要與接地系統有良好的連接,如果保護器安裝在配電箱內,則從配電箱到接地排需要有一根16mm²以上的導線與接地系統連接;
6、電涌保護器在貯存、運輸、使用過程中,均不得受到雨水侵蝕、跌落和劇烈碰撞;
7、在雷雨季節前、雷雨天后、空氣開關跳閘、線路短路等情況下應及時檢查本產品的工作情況,并作好記錄,出現故障應及時由專業人員檢修。